Nixie Clock


rev 2c. Arduino Based

Project Overview

Project Overview


A nixie clock initially built around a arduino board (with an atmega 168).
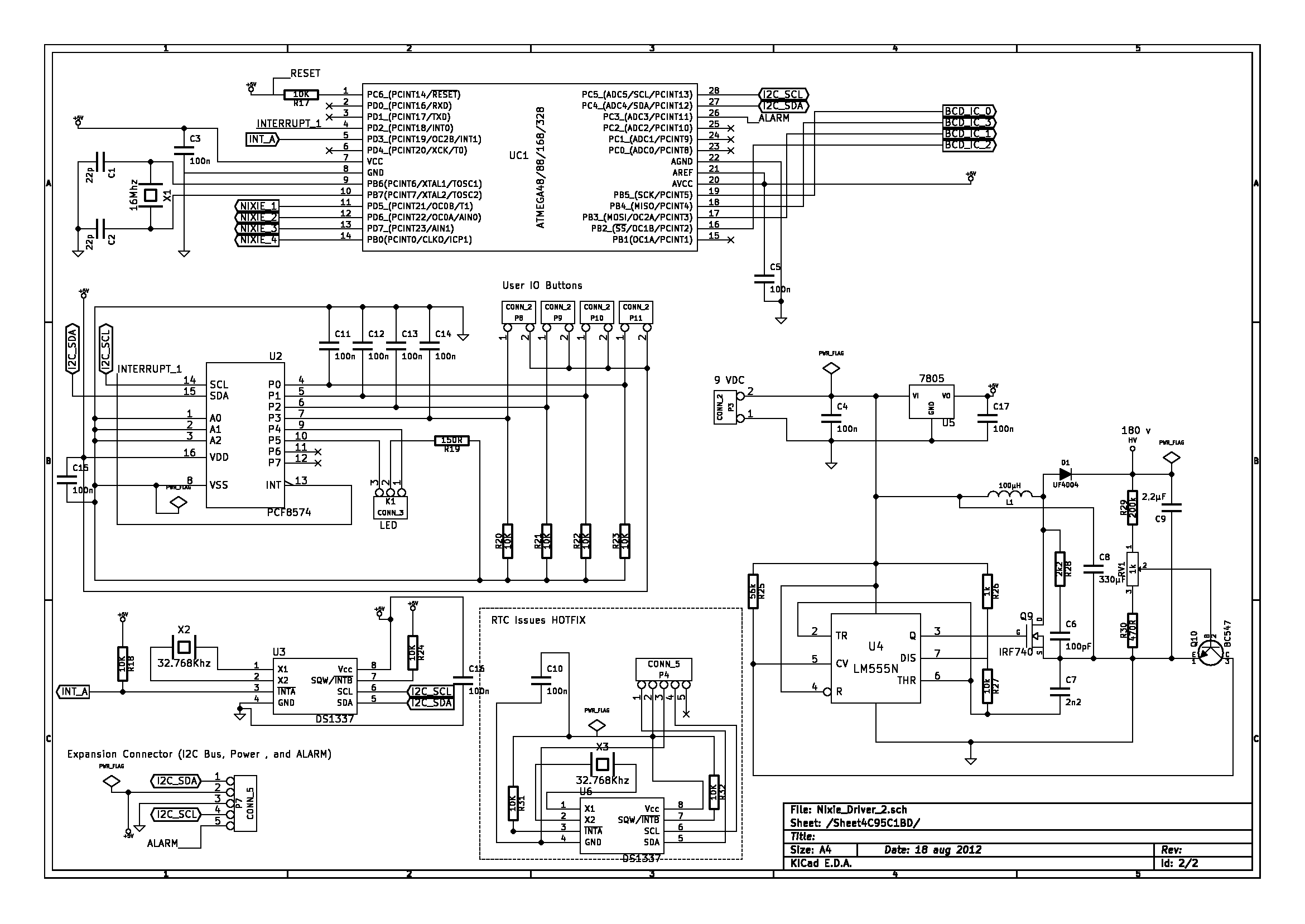
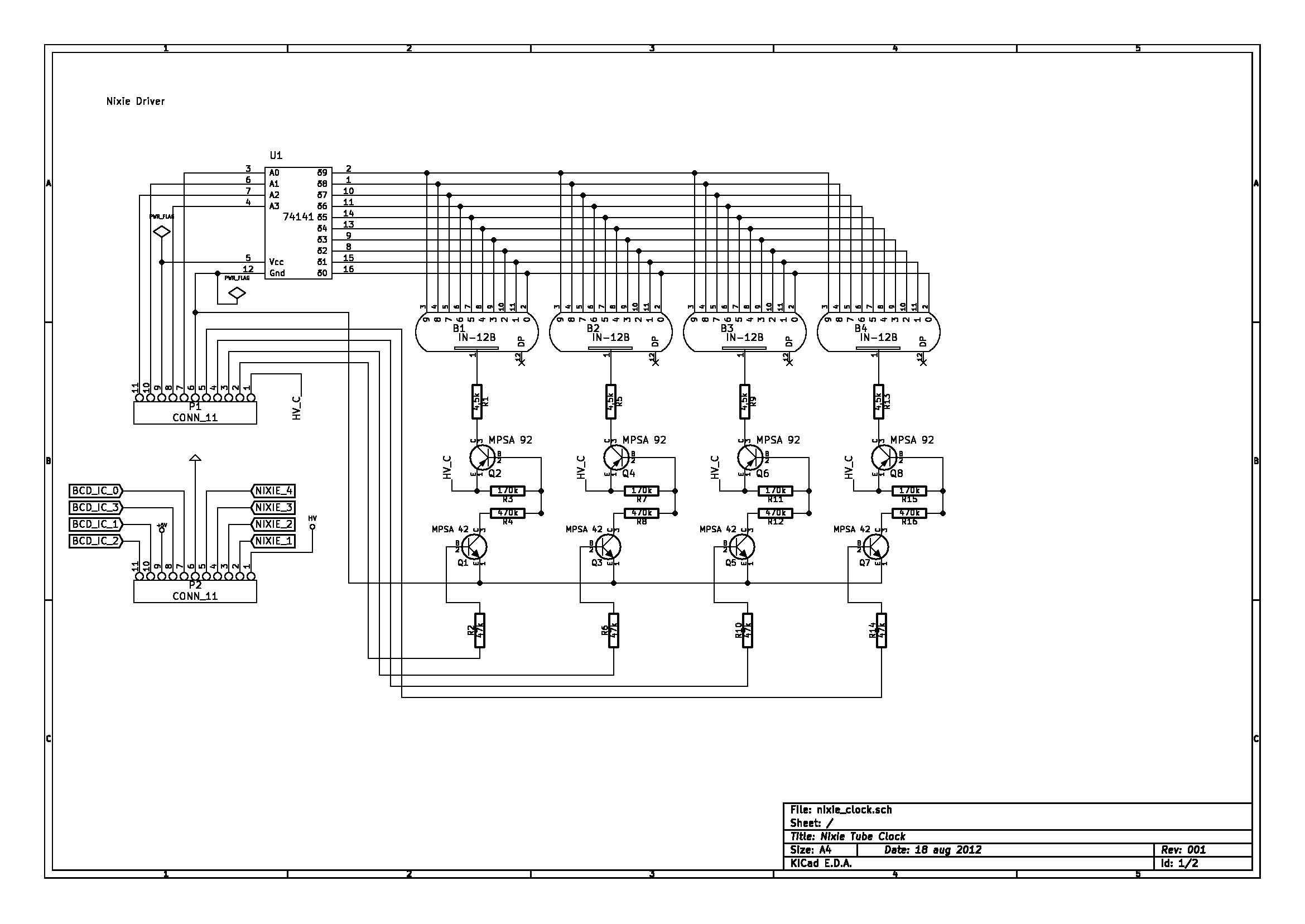
Final Design was implemented on a single sided PCB. Time Keeping is done by a DS1337 RTC. The nixie clock uses 4 IN-12B nixies, on a simple multiplexed configuration.
These nixies are powered by a simple boost converter built around a 555 in an astable configuration. Schematics and PCB were both done in KICAD, all circutry was tested on a breadboard beforehand.

The First Prototype


The Initial Prototype used a discrete Nixie driver, and an out of the shelf nixie PSU.

On this iteration the nixie driver was driven through a I2C IO expander IC. Due to circuit complexity and loss of the original Microcontroller Code, the nixie clock was redesingned.

This Iteration never made into a working PCB version.

The Final Version


The final version features a more simple schematic, this time with the nixie driver built around a 74141 equivalent IC

Like the prototype, the time keeping is being handled by a DS1337 RTC, but now the whole clock fits into a single 160mm * 100 mm single sided PCB board, including the nixies themselves. The nixie boost converter was also integrated into the main PCB.

The atmega handles Nixie multiplexing, RTC time set / read, and user IO.

The RTC and user IO and set through a I2C bus. User IO is handled with a PCF 8574 IO expander, with my IOExp library.

Images